Projector headlights and fog lights

Grilles

Enkei RPF1s and Hoosier A6s

LTB effects

Window switches

Interior LED work

Wilwood 12.6" 2-piece rotors

Recaro Speed seat

Fender braces

O2 sensors, hood struts, intake tube

EGR work, heater hoses, dash, horn, etc

New exhaust, PCV valve replacement

FX-R Projector failure and rebuilding

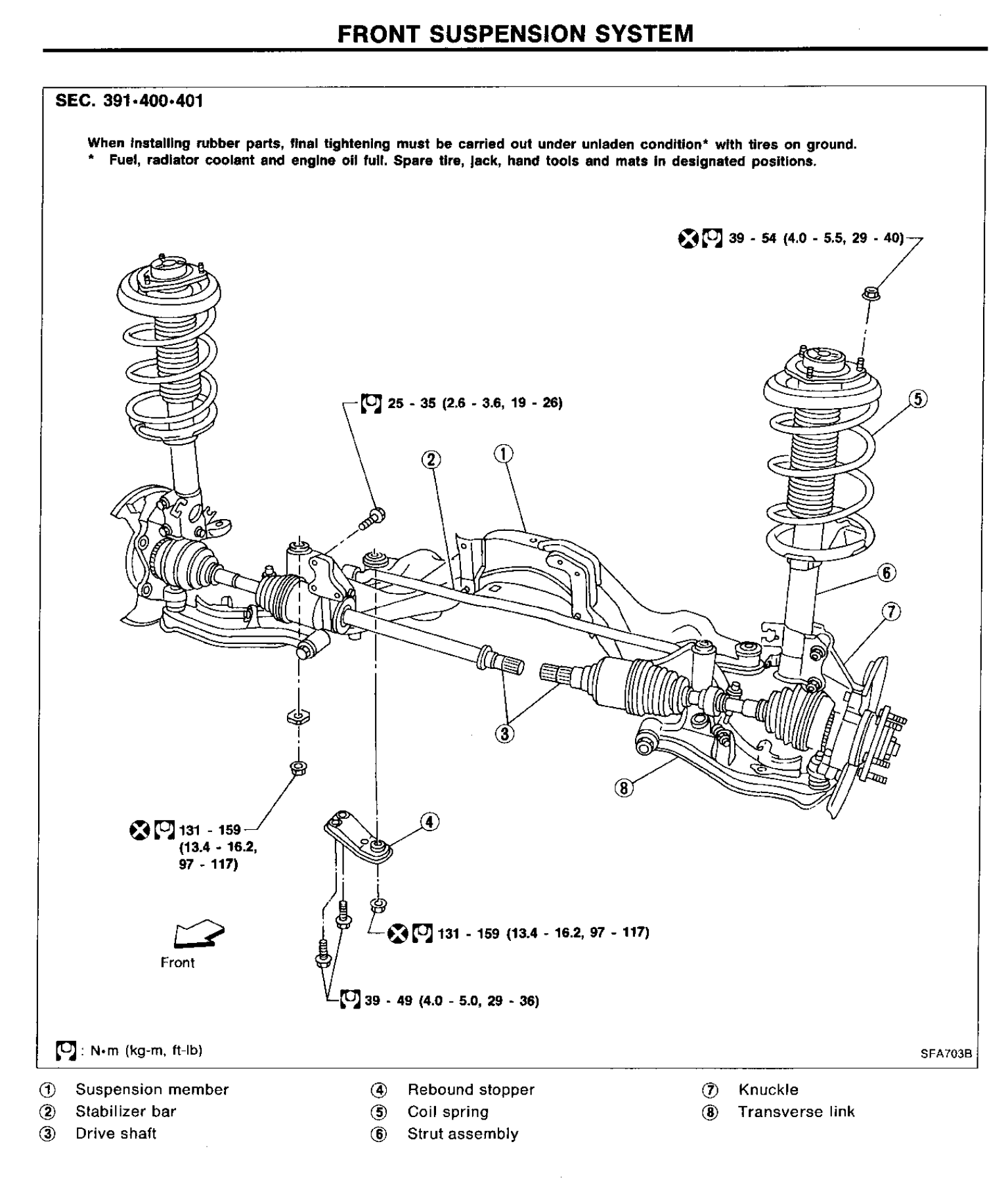
New axles, control arms, and bushings

Projector repairs

Door sills and pedals

Misc.

Wiring Project

Speaker rewiring, door lock actuators, K&N filter cleaning, e-brake cables

Oil catch can, water leak

2020 Checkup

6 Speed swap

Lift

Random shit

Subframe collars

Junkyard stuff

6 speed parts, cavity wax

5 speed practice

3” exhaust project

6 speed internals

Middle of car POR15

6 speed swap

Rust repair project